전압계와 마찬가지로 전류계는 연결된 회로의 전류량에 영향을 미치는 경향이 있습니다. 그러나 이상적인 전압계와 달리 이상적인 전류계는 내부 저항이 0이므로 전류가 흐를 때 가능한 한 전압이 낮아지지 않습니다.
이 이상적인 저항 값은 전압계의 값과 정확히 반대입니다. 전압계의 경우 테스트 중인 회로에서 가능한 한 적은 전류가 흐르기를 원합니다. 전류계의 경우 전류를 전도하는 동안 가능한 한 적은 전압이 떨어지기를 원합니다.
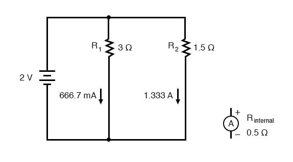
다음은 전류계가 회로에 미치는 영향에 대한 극단적인 예입니다.

이 회로에서 전류계를 분리하면 3Ω 저항기를 통과하는 전류는 666.7mA가 되고 1.5Ω 저항기를 통과하는 전류는 1.33암페어가 됩니다. 그러나 전류계의 내부 저항이 1/2Ω이고 이 회로의 분기 중 하나에 삽입하면 저항이 측정된 분기 전류에 심각한 영향을 미칩니다.

왼쪽 분기 저항을 3Ω에서 3.5Ω로 효과적으로 증가시키면 전류계는 666.7mA 대신 571.43mA를 읽습니다. 오른쪽 분기에 동일한 전류계를 배치하면 전류에 더 큰 영향을 미칩니다.

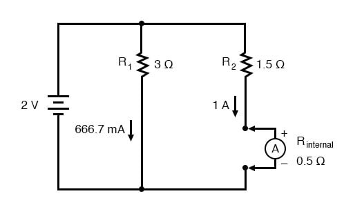
이제 전류 경로에 전류계를 추가하여 저항이 증가하여 오른쪽 분기 전류는 1.333 암페어가 아니라 1 암페어가 되었습니다.
측정되는 회로와 직렬로 연결되는 표준 전류계를 사용할 때, 더 낮은 입력(리드-리드) 저항을 위해 미터를 재설계하는 것은 실용적이지 않거나 가능하지 않을 수 있습니다. 그러나 전압 강하에 따라 전류를 측정하기 위해 회로에 배치할 션트 저항 값을 선택하고 광범위한 저항을 선택할 수 있는 경우, 해당 애플리케이션에 가장 낮은 실용적인 저항을 선택하는 것이 가장 좋습니다. 필요 이상의 저항과 션트는 전류 경로 에 과도한 저항을 추가하여 회로에 부정적인 영향을 미칠 수 있습니다 .
전류 측정 장치가 회로에 미치는 영향을 줄이는 독창적인 방법 중 하나는 회로선을 전류계 운동 자체의 일부로 사용하는 것입니다. 모든 전류를 전달하는 전선은 자기장을 생성하며, 그 세기는 전류의 세기에 정비례합니다. 그 자기장의 세기를 측정하는 기기를 만들면 비접촉 전류계를 생산할 수 있습니다. 이러한 계측기는 회로 와 물리적으로 접촉하지 않고도 도체를 통과하는 전류를 측정할 수 있으며, 더구나 연속성을 끊거나 추가 저항을 삽입할 필요가 없습니다.

클램프온 전류계
이 설계의 전류계는 "조"를 열고 회로선 주위에 고정할 수 있기 때문에 " 클램프온 " 미터라고 합니다. 클램프온 전류계는 특히 고전력 산업 회로에서 빠르고 안전한 전류 측정을 가능하게 합니다. 테스트 중인 회로에 클램프온 미터로 추가 저항을 삽입하지 않았기 때문에 전류 측정 시 오류가 발생하지 않습니다.

클램프 온 전류계의 실제 이동 메커니즘은 철제 베인 계측기와 거의 동일하지만, 자기장을 생성하는 내부 와이어 코일이 없습니다. 클램프 온 전류계의 더 현대적인 디자인은 홀 효과 센서 라고 하는 작은 자기장 감지 장치를 사용하여 자기장 강도를 정확하게 결정합니다.
일부 클램프온 미터에는 턱 사이의 와이어에 흐르는 전류에 비례하는 작은 전압을 생성하는 전자 증폭기 회로가 들어 있으며, 이 작은 전압은 기술자가 편리하게 읽을 수 있도록 전압계에 연결됩니다. 따라서 클램프온 장치는 전류 측정을 위한 전압계의 보조 장치가 될 수 있습니다.
자기장 감지 전류계
다음 사진에는 클램프온 스타일보다 정확도가 낮은 자기장 감지 전류계 유형이 나와 있습니다.

이 전류계의 작동 원리는 클램프온 스타일의 미터와 동일합니다. 전류를 전달하는 도체를 둘러싼 원형 자기장이 미터의 바늘을 편향시켜 눈금에 표시를 생성합니다. 이 특정 미터에는 두 개의 전류 눈금이 있습니다. +/- 75 암페어와 +/- 400 암페어.
이 두 가지 측정 눈금은 미터 뒷면의 두 세트의 노치에 해당합니다. 전류를 전달하는 도체가 놓인 노치 세트에 따라 주어진 자기장 강도가 바늘에 미치는 영향의 양이 달라집니다. 실제로 움직임에 대한 도체의 두 가지 다른 위치는 직접 연결 방식의 전류계에서 두 가지 다른 범위 저항기 역할을 합니다.
검토:
- 이상적인 전류계는 저항이 0입니다.
- "클램프온" 전류계는 회로의 일부가 되는 것이 아니라 주변 자기장의 강도를 측정하여 전선을 통해 흐르는 전류를 측정하므로 이상적인 전류계입니다.
- 클램프온 미터는 미터와 회로 사이에 전도성 접촉이 없기 때문에 빠르고 안전하게 전류를 측정할 수 있습니다.