흔하지 않은 각도를 갖는 벡터를 더하면 , 그 크기(길이)는 스칼라 크기와는 상당히 다르게 더해집니다. (아래 그림)

벡터 크기는 각도가 다를 경우 직접적으로 더해지지 않습니다.
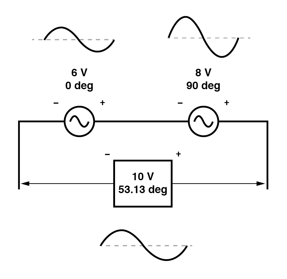
위상이 90° 다른 두 교류 전압을 직렬로 연결하여 더하면 , 전압 크기는 직류의 스칼라 전압처럼 직접 더해지거나 빼지지 않습니다.
대신, 이러한 전압량은 복소수량이며, 삼각 함수 방식으로 합산되는 위의 벡터와 마찬가지로 0°의 6볼트 소스에 90°의 8볼트 소스를 더하면 위상각 53.13°에서 10볼트가 됩니다. (아래 그림)

6V와 8V 전원은 삼각법의 도움으로 10V를 더합니다.
DC 회로 분석과 비교하면, 이는 참으로 이상합니다. 두 AC 전압원에서 각각 6볼트와 8볼트의 전압계 표시를 얻을 수 있지만, 총 전압은 10볼트만 읽을 수 있다는 점에 유의하세요!
여기서 두 개의 AC 전압이 약간 위상이 어긋난 것에 대한 적절한 DC 비유는 없습니다. DC 전압은 직접적으로 돕거나 직접적으로 반대할 수 있을 뿐, 그 사이에는 아무것도 없습니다. AC의 경우 두 전압은 완전히 돕는 것과 완전히 반대하는 것 사이에서 어느 정도든 서로를 돕거나 반대할 수 있습니다 .
교류량을 기술하는 데 벡터(복소수) 표기법을 사용하지 않으면 교류 회로 분석을 위한 수학적 계산을 수행하는 것은 매우 어려울 것입니다.
다음 섹션에서는 벡터 양을 그래픽 형태가 아닌 기호 형태로 표현하는 방법을 알아보겠습니다. 벡터와 삼각형 다이어그램은 일반적인 개념을 설명하기에 충분하지만, 이러한 양에 대한 심각한 계산을 수행하려면 보다 정확한 기호화 방법을 사용해야 합니다.
검토:
- DC 전압은 직렬로 연결될 때만 서로를 직접적으로 돕거나 직접적으로 반대할 수 있습니다. AC 전압은 그들 사이의 위상 변화에 따라 어느 정도 서로를 돕거나 반대할 수 있습니다.